• 科普艾尔
  • 高效节能风机
  • 超静音空调风机
  • 科普艾尔宁静超越
产品展示
建筑空调风机
KPSF分体管道送风机
KPQK全热新风交换机
KPSD多孔静音送风机
KPSY圆形管道送风机
KPDK空调离心风机
KPSJ静音直流送风机
KPSS双向静音送风机
KPT天花全金属换气扇
KPFM圆弧贯流风幕机
KPRM圆弧冷暖贯流风幕机
KPPJ静音直流送风机
建筑消防风机
HTFC(DT)柜式离心风机
HTF消防排烟轴流风机
SWF混流风机
T35-II轴流风机
SDF隧道风机
KPWD屋顶风机
YDF诱导风机
WEXD边墙风机
环保净化系列
油烟净化器
NTD厨房排烟风机
防火阀静压箱系列
防火阀
圆型风口
A型圆风口
B型圆风口
C型圆风口
D型圆风口
E型防雨风口
消声器
静压箱
家居新风系列
家用新风机
地送风管件
送进风风口
天花管配件
消音静化箱
机电安装工程
空调安装工程
消防安装工程
环保除尘工程
信息搜索
关键字:
范 围:
联系我们
地  址:中山市火炬区火炬路8号佰汇广场4幢13F
联系人:吴先生
电  话:0760-23895283
传  真:0760-23895970
邮  件:5496514@qq.com
Q    Q:5496514
首页产品展示建筑空调风机KPSF分体管道送风机
 
名称:KPSF分体管道送风机
编号:Pro2011102193537
时间:2011/10/21 9:40:18
购买:

一、KPSF分体管道送风机图片

二、KPSF分体管道送风机概述 

KPSF分体管道送风机,能实现远程静音排、送风双功能,采用进口滚珠轴承,保障产品正常使用超10年长寿命。

风量从150CMH1900CMH共十多款机,每款机型的叶片出、入口角进行独特的优化设计和取值,保证了优越的性能,采用单向吸入性多翼式风轮,优化消声蜗壳流道设计,风量更大、噪音更低,非常适合写字楼、酒店、医院、别墅、会所等物业使用。

三、KPSF分体管道送风机性能曲线图

DPT系列分体式管道风机性能图

四、KPSF分体管道送风机技术规格性能参数

编号

  

电源
[V/Hz]

功率
[W]

风量
[m3/h]
 

静压

[Pa]

噪音 
[dB(A)]

直径
[mm]
 

风速
[m/s]
 

净重
[kg]

A

KPSF10A-10

220/50

19

150

65

39

Φ95

510

2.4

B

KPSF15A-15

220/50

26

230

98

43

Φ145

814

3.5

C

KPSF15B-15

220/50

34

300

121

46

Φ145

1420

3.9

D

KPSF15C-15

220/50

55

450

141

48

Φ145

2025

4.2

E

KPSF18A-20

220/50

78

500

163

45

Φ195

2528

6.8

F

KPSF18B-20

220/50

90

600

187

46

Φ195

2833

7

G

KPSF18C-20

220/50

118

700

203

48

Φ195

3338

7.2

H

KPSF18D-20

220/50

135

800

218

50

Φ195

3842

7.5

I

KPSF18E-20

220/50

156

900

223

53

Φ195

4248

7.7

J

KPSF18F-20

220/50

225

1200

246

58

Φ195

4865

7.9

L

KPSF23B-25

220/50

286

1500

291

60

Φ250

65-68

16

M

KPSF23C-25

220/50

332

1700

309

62

Φ250

80-92

17

N

KPSF23D-25

220/50

375

1900

316

63

Φ250

92-105

17

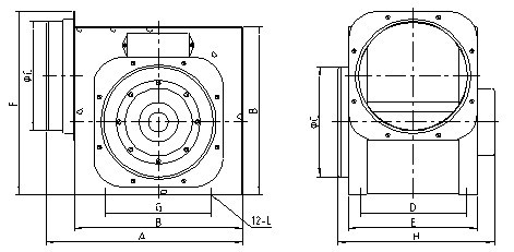
五、KPSF分体管道送风机安装外形图 

DPT系列分体式管道风机外形尺寸图

六、KPSF分体管道送风机外形尺寸 

  

A

B

C

D

E

F

G

H

L

管道

KPSF10A-10

223

183

95

100

140

199

140

190

7x17

Φ100

KPSF15A-15

297

252

145

140

180

262

160

215

9x19

Φ150

KPSF15B-15

297

252

145

140

180

262

160

215

9x19

Φ150

KPSF15C-15

297

252

145

140

180

262

160

215

9x19

Φ150

KPSF18A-20

350

300

195

190

230

328

235

280

11x21

Φ200

KPSF18B-20

350

300

195

190

230

328

235

280

11x21

Φ200

KPSF18C-20

350

300

195

190

230

328

235

280

11x21

Φ200

KPSF18D-20

350

300

195

190

230

328

235

280

11x21

Φ200

KPSF18E-20

350

300

195

190

230

328

235

280

11x21

Φ200

KPSF18F-20

350

300

195

190

230

328

235

280

11x21

Φ200

KPSF23B-25

408

348

245

240

274

348

270

320

11x21

Φ250

KPSF23C-25

408

348

245

240

274

348

270

320

11x21

Φ250

KPSF23D-25

408

348

245

240

274

348

270

320

11x21

Φ250

 
KPAE科普艾尔,离心风机,消防风机,新风机,静音风机,送风机,PM2.5健康风机 © 2010-2012 版权所有 粤ICP备11081774号
地址:中山市火炬区火炬路8号佰汇广场4幢13F 电话:0760-23895283 传真:0760-23895970 邮件:5496514@qq.com
本站由讯宇工作室-www.52xunyu.com-QQ:229878780(52讯宇工作室)提供技术支持
安全上网